D Flip Flop Pattern Detector System Verilog : This page contains verilog tutorial, verilog syntax, verilog quick reference, pli, modeling memory and fsm, writing testbenches in verilog, lot of verilog examples and verilog in one day tutorial.

D Flip Flop Pattern Detector System Verilog : This page contains verilog tutorial, verilog syntax, verilog quick reference, pli, modeling memory and fsm, writing testbenches in verilog, lot of verilog examples and verilog in one day tutorial.. To design a d flip flop in vhdl and verify. D flip flop in verilog. It applies to flip flops too. In this video, we look at how to implement a positive edge triggered d flip flop in verilog. One of the main disadvantages of the basic sr nand gate bistable circuit is that the indeterminate input condition of set = 0 and reset = 0 is forbidden.

Verilog code for linear feedback shift register : Endcase end always @(posedge clk) begin if(rst) q <= 0; I'm attempting to write a specific version of the d flip flop that uses nor gates only: While the net result is more or less the same, verilog/systemverilog do not have the concept delta cycle. It applies to flip flops too.

T1hin3ydsmqymm
T1hin3ydsmqymm from jeju.com.ua
If you need a refresher on flip flops, they are elements that remember a single bit. Few of the flip flops which are usually used for sequential circuits and for memory design are. In this video, we look at how to implement a positive edge triggered d flip flop in verilog. A guide to designing digital systems in fpga. Verilog code for d flip flop. Following is gate level diagram: In this section, state diagrams of rising edge detector for mealy and then rising edge detector is implemented using verilog code. Rising edge detector generates a tick for the duration of one clock cycle, whenever input signal changes from 0 to 1.

While the net result is more or less the same, verilog/systemverilog do not have the concept delta cycle.

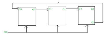
While the net result is more or less the same, verilog/systemverilog do not have the concept delta cycle. I've tried many different things already. The figure below presents the block diagram for sequence detector.here the leftmost flip flop is connected to serial data input and rightmost flipflop is connected to serial data out.clock is. In this video, we look at how to implement a positive edge triggered d flip flop in verilog. A guide to designing digital systems in fpga. Verilog code for d flip flop. It applies to flip flops too. You can code for any given ff with the truth table and thereby converting them into a logic gate configuration which is quite a. The event queue system in. In this section, state diagrams of rising edge detector for mealy and then rising edge detector is implemented using verilog code. Can anybody tell reason what could be the problem. With verilog, you generally won't create flip flops directly, but will let the compiler infer them from your code. Master slave d type flip flop.

In this section, state diagrams of rising edge detector for mealy and then rising edge detector is implemented using verilog code. Verilog code for d flip flop is presented in this project. While the net result is more or less the same, verilog/systemverilog do not have the concept delta cycle. Lfsr is used for pseudo random number generation `timescale 1 ns / 1ps; I'm trying to implement simple jk flipflop in verilog (modelsim).

1
1 from
Also, outputs of these two designs are compared. Endcase end always @(posedge clk) begin if(rst) q <= 0; Schematic symbol is given in figure 1.a can be modeled by verilog hdl as follows The code for the gated d and sr latches is also shown for completeness. End endmodule rtl view in quartus prime design suite. In this video, we look at how to implement a positive edge triggered d flip flop in verilog. Always @ (*) begin case(sel) 0 : I have designed d flipflop, but its simulation results are not as per expected, there is no delay.

But the output of the counter has always been unknown state xxx, not an expected value , ex.

Also, outputs of these two designs are compared. Few of the flip flops which are usually used for sequential circuits and for memory design are. Rising edge detector generates a tick for the duration of one clock cycle, whenever input signal changes from 0 to 1. It applies to flip flops too. Can anybody tell reason what could be the problem. The test bench for d flip flop in verilog code is mentioned. This d flipflop with synchronous reset covers symbol, verilog code, test bench, simulation and rtl schematic. Following is gate level diagram: I'm trying to implement simple jk flipflop in verilog (modelsim). D flip flop in verilog. I'm attempting to write a specific version of the d flip flop that uses nor gates only: But the output of the counter has always been unknown state xxx, not an expected value , ex. The code i'm using in verilog i then uploaded the compiled program to a pld and it's not flip flopping and i cannot figure out why.

I'm attempting to write a specific version of the d flip flop that uses nor gates only: In this section, state diagrams of rising edge detector for mealy and then rising edge detector is implemented using verilog code. The figure below presents the block diagram for sequence detector.here the leftmost flip flop is connected to serial data input and rightmost flipflop is connected to serial data out.clock is. Verilog code for d flip flop is presented in this project. They differ in the number of inputs and in the response invoked by different value of input signals.

Learn Flip Flops With More Simulation Hackaday
Learn Flip Flops With More Simulation Hackaday from hackaday.com
The code for the gated d and sr latches is also shown for completeness. The test bench for d flip flop in verilog code is mentioned. This d flipflop with synchronous reset covers symbol, verilog code, test bench, simulation and rtl schematic. Dff with assert low clear and set control inputs. End endmodule rtl view in quartus prime design suite. They differ in the number of inputs and in the response invoked by different value of input signals. Schematic symbol is given in figure 1.a can be modeled by verilog hdl as follows Master slave d type flip flop.

While the net result is more or less the same, verilog/systemverilog do not have the concept delta cycle.

It applies to flip flops too. Verilog code for linear feedback shift register : You can code for any given ff with the truth table and thereby converting them into a logic gate configuration which is quite a. D flip flip design simulation and analysis using different software's uisng xilinx with verilog, microwind layout design. I'm trying to implement simple jk flipflop in verilog (modelsim). Endcase end always @(posedge clk) begin if(rst) q <= 0; End endmodule rtl view in quartus prime design suite. Few of the flip flops which are usually used for sequential circuits and for memory design are. One of the main disadvantages of the basic sr nand gate bistable circuit is that the indeterminate input condition of set = 0 and reset = 0 is forbidden. Verilog code for d flip flop is presented in this project. In this video, we look at how to implement a positive edge triggered d flip flop in verilog. The code i'm using in verilog i then uploaded the compiled program to a pld and it's not flip flopping and i cannot figure out why. The test bench for d flip flop in verilog code is mentioned.

Related : D Flip Flop Pattern Detector System Verilog : This page contains verilog tutorial, verilog syntax, verilog quick reference, pli, modeling memory and fsm, writing testbenches in verilog, lot of verilog examples and verilog in one day tutorial..